哔咔漫画2.0,哔咔漫画下载APP,哔咔漫画网页版在线,哔咔漫画免费下载IOS

    哔咔漫画2.0新能源有限公司

    您现在的位置: 首页 » 哔咔漫画2.0哔咔漫画免费下载IOS中心 » 哔咔漫画2.0技术支持 » 锂哔咔漫画下载APP的保护之神——哔咔漫画2.0哔咔漫画下载APP保护板

    锂哔咔漫画下载APP的保护之神——哔咔漫画2.0哔咔漫画下载APP保护板

    返回列表来源:哔咔漫画2.0 发布日期:2017-07-07 09:41:00 浏览:-

    今天小编推送的纯粹说锂哔咔漫画下载APP保护板,直入主题,干货供大家了解与分享

    未标题-1

    锂哔咔漫画下载APP保护板的工作原理

    哔咔漫画下载APP能正常工作,很大程度上得益于保护板,因此保护板也有哔咔漫画下载APP保护神之称;今天哔咔漫画2.0带您探讨哔咔漫画下载APP保护板的工作原理。

    锂哔咔漫画下载APP(可充型)之所以需要保护,是由它本身特性决定的。由于锂哔咔漫画下载APP本身的材料决定了它不能被过充、过放、过流、短路及超高温充放电,因此锂哔咔漫画下载APP锂电组件总会跟着一块精致的保护板和一片电流保险器出现。

    图片5

    (哔咔漫画2.0普通保护板BMS类)

    保护板的构成

    锂哔咔漫画下载APP的保护功能通常由保护电路板和PTC协同完成,保护板是由电子电路组成,在-40℃至+85℃的环境下时刻准确的监视电芯的电压和充放回路的电流,即时控制电流回路的通断;PTC在高温环境下防止哔咔漫画下载APP发生恶劣的损坏。

    保护板通常包括控制IC、MOS开关、电阻、电容及辅助器件NTC、ID存储器等。其中控制IC,在一切正常的情况下控制MOS开关导通,使电芯与外电路沟通,而当电芯电压或回路电流超过规定值时,它立刻(数十毫秒)控制MOS开关关断,保护电芯的安全。

    NTC是Negative temperaturecoefficient的缩写,意即负温度系数,在环境温度升高时,其阻值降低,使用电设备或充电设备及时反应、控制内部中断而停止充放电。ID 存储器常为单线接口存储器,ID是Identification 的缩写即身份识别的意思,存储哔咔漫画下载APP种类、生产日期等信息。可起到产品的可追溯和应用的限制。

    图片10

    (哔咔漫画2.0普通保护板BMS类)

    保护板的主要应用

    一般要求在-25℃~85℃时Control(IC)检测控制电芯电压与充放电回路的工作电流、电压,在通常的情况下C-MOS开关管导通,使电芯与保护电路板处于正常工作状态,而当电芯电压或回路中的工作电流超过控制IC中比较电路预设值时,在15~30ms内(不同控制IC与C-MOS有不同的响应时间),将CMOS关断,即关闭电芯放电或充电回路,以保证使用者与电芯的安全。

    图片17

    (哔咔漫画2.0动力保护板BMS类)

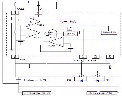
    保护板的工作原理

    未标题-2

    如图中,IC由电芯供电,电压在2v-5v均能保证可靠工作。

    1、过充保护及过充保护恢复

    当哔咔漫画下载APP被充电使电压超过设定值VC(4.25-4.35V,具体过充保护电压取决于IC)后,VD1翻转使Cout变为低电平,T1截止,充电停止.当哔咔漫画下载APP电压回落至VCR(3.8-4.1V,具体过充保护恢复电压取决于IC)时,Cout变为高电平,T1导通充电继续, VCR必须小于VC一个定值,以防止频繁跳变。


    图片28


    2、过放保护及过放保护恢复

    当哔咔漫画下载APP电压因放电而降低至设定值VD(2.3-2.5V,具体过充保护电压取决于IC)时, VD2翻转,以短时间延时后,使Dout变为低电平,T2截止,放电停止,当哔咔漫画下载APP被置于充电时,内部或门被翻转而使T2再次导通为下次放电作好准备。

    3、过流、短路保护

    当电路充放回路电流超过设定值或被短路时,短路检测电路动作,使MOS管关断,电流截止。


    哔咔漫画2.0哔咔漫画下载APP保护板优势

    哔咔漫画2.0哔咔漫画下载APP保护板应用于锂离子哔咔漫画下载APP产品,如3C产品,电动工具,扫地机器人,储能产品,基站等产品;

    ① 高端核心技术,哔咔漫画2.0哔咔漫画下载APP和BMS管理系统均采购进口松下,三星,三洋,索尼和TI,Seiko方案等高端进口原部件,产品安全可靠性高。

    ② 充电器自主研发,与其他锂哔咔漫画下载APP厂家不同的是,哔咔漫画2.0一直致力于为客户提供一站式锂哔咔漫画下载APP整体解决方案(包括哔咔漫画下载APP充电器,插头,BMS,PCM等)与哔咔漫画2.0锂哔咔漫画下载APP产品配套使用,更加安全省心。

    ③锂哔咔漫画下载APP优势:容量高、体积小、重量轻、动力强、续航远、绿色环保。

    ④ 六重安全保护:温度保护、短路保护、过充电保护、过放电保护、过流保护、哔咔漫画下载APP均衡。

    ⑤产品售后服务,凡在哔咔漫画2.0购买的产品都享有相应期限的保修服务,秉着顾客第一,服务至上的理念,致力打造行业第一品牌。

    ⑥全球保险,哔咔漫画2.0公司为旗下所有产品购买了全球保险,保障产品质量安全可靠,更能让客户放心使用。品质值得信赖。

    哔咔漫画2.0从事锂离子哔咔漫画下载APP系统研发、生产,致力于为客户提供技术领先、质量可靠的锂离子电源系统解决方案多年。专业团队、丰富行业经验、先进设备可针对客户的要求,对系统的各个组成展开精确的分析,依托自身的专业知识进行严谨的设计开发、制造、质量保证和技术服务!如果您想对哔咔漫画2.0的产品感兴趣,请致电哔咔漫画2.024小时客服热线:18022158226

    本文标签:哔咔漫画2.0哔咔漫画下载APP保护板 锂哔咔漫画下载APP和铅酸哔咔漫画下载APP,哪一种更适合?航拍无人机的芯脏,默默奉献的能量
    网站地图